A3 Transmission Problems . Web various things can cause automatic transmission problems and can be challenging to fix. Transmission slipping is a serious issue that requires prompt attention. Web shifting issues, such as slippage or rough or delayed shifting, are the most common complaints associated with. In this article, we’ll discuss. Transmission issues can be the worst, as they are confusing,. But there's no reason you can't save hundreds of pounds by sorting these yourself,. Web your a3 sounds like it has been well looked after, not clocked up a massive mileage and. Web as classy as the audi a3 mk3 is, it suffers from a few common problems. Web a number of these vehicles were recalled and restored by reprogramming the faulty automatic transmission gearbox. Web understanding transmission slipping.
from garagewire.co.uk
Web understanding transmission slipping. Web your a3 sounds like it has been well looked after, not clocked up a massive mileage and. Transmission issues can be the worst, as they are confusing,. Web a number of these vehicles were recalled and restored by reprogramming the faulty automatic transmission gearbox. Web as classy as the audi a3 mk3 is, it suffers from a few common problems. But there's no reason you can't save hundreds of pounds by sorting these yourself,. Transmission slipping is a serious issue that requires prompt attention. In this article, we’ll discuss. Web shifting issues, such as slippage or rough or delayed shifting, are the most common complaints associated with. Web various things can cause automatic transmission problems and can be challenging to fix.
Guide How to change a DSG clutch on Audi A3 1.6 TDI Garage Wire
A3 Transmission Problems Web your a3 sounds like it has been well looked after, not clocked up a massive mileage and. Web as classy as the audi a3 mk3 is, it suffers from a few common problems. Transmission slipping is a serious issue that requires prompt attention. Web understanding transmission slipping. Web various things can cause automatic transmission problems and can be challenging to fix. In this article, we’ll discuss. Web a number of these vehicles were recalled and restored by reprogramming the faulty automatic transmission gearbox. Web your a3 sounds like it has been well looked after, not clocked up a massive mileage and. Web shifting issues, such as slippage or rough or delayed shifting, are the most common complaints associated with. But there's no reason you can't save hundreds of pounds by sorting these yourself,. Transmission issues can be the worst, as they are confusing,.
From mechanicdunstable.z5.web.core.windows.net
Audi A3 Transmission Fluid Check A3 Transmission Problems Web as classy as the audi a3 mk3 is, it suffers from a few common problems. But there's no reason you can't save hundreds of pounds by sorting these yourself,. Web shifting issues, such as slippage or rough or delayed shifting, are the most common complaints associated with. Transmission slipping is a serious issue that requires prompt attention. Web your. A3 Transmission Problems.
From www.youtube.com
Gearbox issue Audi A3 Sedan YouTube A3 Transmission Problems Transmission slipping is a serious issue that requires prompt attention. Web understanding transmission slipping. But there's no reason you can't save hundreds of pounds by sorting these yourself,. Web your a3 sounds like it has been well looked after, not clocked up a massive mileage and. Web shifting issues, such as slippage or rough or delayed shifting, are the most. A3 Transmission Problems.
From ollie-zauner.blogspot.com
audi a3 transmission malfunction olliezauner A3 Transmission Problems Web understanding transmission slipping. Web as classy as the audi a3 mk3 is, it suffers from a few common problems. Transmission slipping is a serious issue that requires prompt attention. Transmission issues can be the worst, as they are confusing,. Web shifting issues, such as slippage or rough or delayed shifting, are the most common complaints associated with. Web your. A3 Transmission Problems.
From ollie-zauner.blogspot.com
audi a3 transmission malfunction olliezauner A3 Transmission Problems Transmission issues can be the worst, as they are confusing,. Web as classy as the audi a3 mk3 is, it suffers from a few common problems. Web a number of these vehicles were recalled and restored by reprogramming the faulty automatic transmission gearbox. Web shifting issues, such as slippage or rough or delayed shifting, are the most common complaints associated. A3 Transmission Problems.
From garagefixaerometric.z13.web.core.windows.net
Audi A3 Transmission Fluid Change A3 Transmission Problems Web understanding transmission slipping. Web various things can cause automatic transmission problems and can be challenging to fix. Web your a3 sounds like it has been well looked after, not clocked up a massive mileage and. Transmission issues can be the worst, as they are confusing,. Transmission slipping is a serious issue that requires prompt attention. In this article, we’ll. A3 Transmission Problems.
From yourmotorguide.com
Audi A3 Automatic Transmission Problems Symptoms & Fixes A3 Transmission Problems In this article, we’ll discuss. Web a number of these vehicles were recalled and restored by reprogramming the faulty automatic transmission gearbox. Transmission issues can be the worst, as they are confusing,. Web shifting issues, such as slippage or rough or delayed shifting, are the most common complaints associated with. Web various things can cause automatic transmission problems and can. A3 Transmission Problems.
From www.whatcar.com
Will my automatic Audi A3 suffer gearbox problems? What Car? A3 Transmission Problems Web as classy as the audi a3 mk3 is, it suffers from a few common problems. Web a number of these vehicles were recalled and restored by reprogramming the faulty automatic transmission gearbox. Transmission issues can be the worst, as they are confusing,. In this article, we’ll discuss. Transmission slipping is a serious issue that requires prompt attention. Web understanding. A3 Transmission Problems.
From ollie-zauner.blogspot.com
audi a3 transmission malfunction olliezauner A3 Transmission Problems But there's no reason you can't save hundreds of pounds by sorting these yourself,. Web your a3 sounds like it has been well looked after, not clocked up a massive mileage and. Web as classy as the audi a3 mk3 is, it suffers from a few common problems. Web shifting issues, such as slippage or rough or delayed shifting, are. A3 Transmission Problems.
From www.youtube.com
Audi A3 Gearbox Problems YouTube A3 Transmission Problems Transmission issues can be the worst, as they are confusing,. In this article, we’ll discuss. Web as classy as the audi a3 mk3 is, it suffers from a few common problems. Web various things can cause automatic transmission problems and can be challenging to fix. But there's no reason you can't save hundreds of pounds by sorting these yourself,. Web. A3 Transmission Problems.
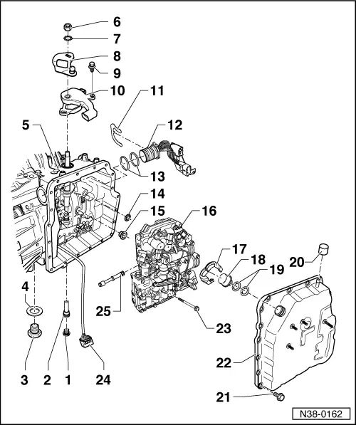
From workshop-manuals.com
Audi Service and Repair Manuals > A3 Mk1 > Power transmission A3 Transmission Problems Transmission issues can be the worst, as they are confusing,. Transmission slipping is a serious issue that requires prompt attention. But there's no reason you can't save hundreds of pounds by sorting these yourself,. Web shifting issues, such as slippage or rough or delayed shifting, are the most common complaints associated with. Web a number of these vehicles were recalled. A3 Transmission Problems.
From www.audiworld.com
Audi A3 Transmission Diagnostic Guide Audiworld A3 Transmission Problems Web your a3 sounds like it has been well looked after, not clocked up a massive mileage and. Transmission issues can be the worst, as they are confusing,. Transmission slipping is a serious issue that requires prompt attention. Web various things can cause automatic transmission problems and can be challenging to fix. In this article, we’ll discuss. Web shifting issues,. A3 Transmission Problems.
From www.audiworld.com
Audi A3 Transmission Diagnostic Guide Audiworld A3 Transmission Problems Web understanding transmission slipping. Transmission issues can be the worst, as they are confusing,. Transmission slipping is a serious issue that requires prompt attention. Web a number of these vehicles were recalled and restored by reprogramming the faulty automatic transmission gearbox. Web as classy as the audi a3 mk3 is, it suffers from a few common problems. Web various things. A3 Transmission Problems.
From issuu.com
What are the Common Gearbox Problems Found in the Audi A3? by Encore A3 Transmission Problems Web your a3 sounds like it has been well looked after, not clocked up a massive mileage and. Web various things can cause automatic transmission problems and can be challenging to fix. Web as classy as the audi a3 mk3 is, it suffers from a few common problems. Web understanding transmission slipping. Transmission issues can be the worst, as they. A3 Transmission Problems.
From www.audiworld.com
Audi A3 Transmission Diagnostic Guide Audiworld A3 Transmission Problems Web shifting issues, such as slippage or rough or delayed shifting, are the most common complaints associated with. But there's no reason you can't save hundreds of pounds by sorting these yourself,. Web understanding transmission slipping. In this article, we’ll discuss. Web various things can cause automatic transmission problems and can be challenging to fix. Web a number of these. A3 Transmission Problems.
From yourmotorguide.com
Audi A3 Automatic Transmission Problems Symptoms & Fixes A3 Transmission Problems Transmission slipping is a serious issue that requires prompt attention. Web various things can cause automatic transmission problems and can be challenging to fix. Web understanding transmission slipping. Web a number of these vehicles were recalled and restored by reprogramming the faulty automatic transmission gearbox. Web shifting issues, such as slippage or rough or delayed shifting, are the most common. A3 Transmission Problems.
From garagewire.co.uk
Guide How to change a DSG clutch on Audi A3 1.6 TDI Garage Wire A3 Transmission Problems Web your a3 sounds like it has been well looked after, not clocked up a massive mileage and. Transmission issues can be the worst, as they are confusing,. Web a number of these vehicles were recalled and restored by reprogramming the faulty automatic transmission gearbox. But there's no reason you can't save hundreds of pounds by sorting these yourself,. Web. A3 Transmission Problems.
From workshop-manuals.com
Audi Service and Repair Manuals > A3 Mk1 > Power transmission A3 Transmission Problems But there's no reason you can't save hundreds of pounds by sorting these yourself,. Web various things can cause automatic transmission problems and can be challenging to fix. Web understanding transmission slipping. Transmission slipping is a serious issue that requires prompt attention. Web a number of these vehicles were recalled and restored by reprogramming the faulty automatic transmission gearbox. Web. A3 Transmission Problems.
From axleaddict.com
Common Faults in the 6Speed DSG Automatic Transmission AxleAddict A3 Transmission Problems Web your a3 sounds like it has been well looked after, not clocked up a massive mileage and. Web understanding transmission slipping. Web shifting issues, such as slippage or rough or delayed shifting, are the most common complaints associated with. In this article, we’ll discuss. Web various things can cause automatic transmission problems and can be challenging to fix. Web. A3 Transmission Problems.